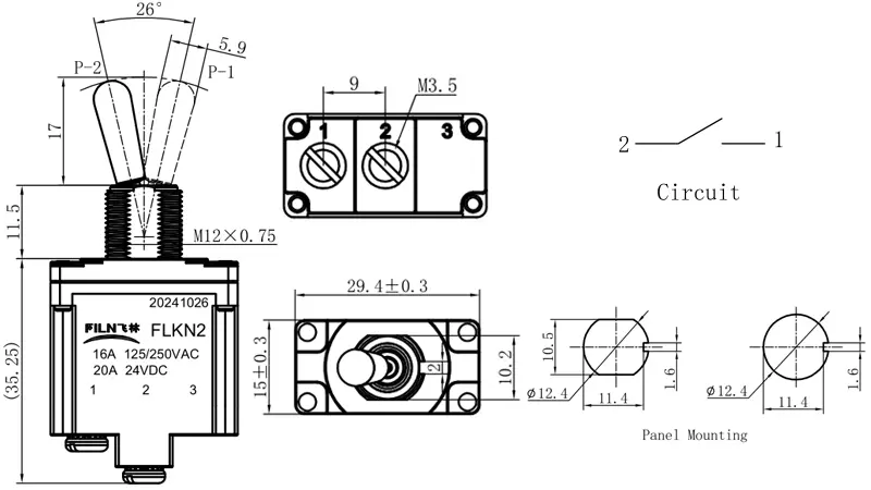
Descriere:
Intrerupator basculant cu 3 pozitii (ON-OFF-ON), prevazut cu filet de montaj M12x0.75, destinat aplicatiilor electrice de comanda si control. Constructia robusta permite utilizarea in panouri electrice, echipamente industriale sau aplicatii auto. Dispune de 3 terminale pentru conectare si suporta curenti ridicati, fiind potrivit pentru comanda directa a consumatorilor.

Specificatii:
Tip: intrerupator basculant 3 pozitii
Configuratie: ON-OFF-ON
Numar pini: 3
Curent nominal: 16A la 125/250VAC
Curent nominal DC: 20A la 24VDC
Filet montaj: M12 x 0.75
Diametru montaj: 12.4 mm
Dimensiuni corp: 29.4 ± 0.3 mm x 15 ± 0.3 mm
Inaltime totala: aproximativ 35.25 mm
Inaltime filet: 11.5 mm
Unghi actionare: 26°
Marcaj pini: 1 – 2 – 3
Distanta intre pini: 9 mm
Fixare: piulita panou
Tip conexiune: terminale surub (M3.5)